联系电话:
0551-63495066
产品详情
产品概述
叶轮给料机(卸灰阀)又叫星型卸料器,是除尘设备输送、排灰、锁风和其他设备给料的主要设备。用于将上部料仓中的干燥粉状物料或小颗粒物料连续、均匀地喂送到下一设备中去。本给料机广泛适用于水泥、建材、化工、冶金及轻工业等部门物料输送系统作给料设备之用。叶轮上装有若干个叶轮片,其上装有橡胶密封片,用压板压紧,密封片紧贴外壳内壁。当电机旋转时,主轴、叶轮同时旋转,物料从上部料仓通过时料口进入叶轮槽内,旋转的叶轮把物料带到出料口喂送出去。
产品特点
1、卸料器通过采用行星转动原理,结构紧凑造型美观新颖、体积小、重量轻。
2、卸料器运转可靠平稳、噪音低、故障少、寿命长、齿合件采用球墨铸铁与轴承钢等。
3、前后端盖密封性能好,防止灰尘外泄,延长机动件、润滑系统的使用寿命。
4、具有过载能力强,耐冲击惯性力矩小,适用于起动频繁和反正转。
主要技术参数
| 型号规格 | 生产能力 (米3/小时) | 叶轮转速 (转/分) | 进出口尺寸 长×宽(mm) | 传动方式 | 摆线针轮减速电动机 | 给料机本体外形尺寸 长×宽×高(毫米) | 给料机本体重量 (Kg) | ||
| 型 号 | 功 率 | 转 速 | |||||||
| GY-Φ200×200 | 7 | 34 | 200×200 | 摆 线 针 轮 减 速 机 | BLY18-43 | 1.1 | 34 | 510×300×300 | 67 |
| GY-Φ200×300 | 10 | 34 | 200×300 | BLY18-43 | 1.1 | 34 | 610×300×300 | 77 | |
| GY-Φ300×300 | 23 | 34 | 300×300 | BLY18-43 | 1.1 | 34 | 690×400×450 | 155 | |
| GY-Φ300×400 | 31 | 34 | 300×400 | BLY18-43 | 1.5 | 34 | 790×400×450 | 174 | |
| GY-Φ400×400 | 53 | 34 | 400×400 | BLY22-43 | 3 | 34 | 830×520×600 | 231 | |
| GY-Φ400×500 | 67 | 34 | 400×500 | BLY22-43 | 3 | 34 | 960×520×600 | 268 | |
| GY-Φ500×500 | 106 | 34 | 500×500 | BLY22-43 | 4 | 34 | 960×640×760 | 550 | |

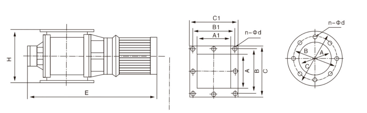
主要外形尺寸(GYT/W-4)
| A(A1) | B(B1) | C(C1) | n-φd | H | M | F | E | GYW-4 重量 | GYW-4Z 重量 | GYW-4J 重量 |
| φ150 | φ240 | φ210 | 8-φ11 | 230 | 720 | 600 | 520 | 40 | 250 | 270 |
| φ200 | φ300 | φ260 | 8-φ11 | 300 | 800 | 700 | 570 | 75 | 275 | 295 |
| φ250 | φ350 | φ310 | 8-φ13 | 340 | 850 | 750 | 660 | 100 | 320 | 340 |
| φ300 | φ400 | φ360 | 8-φ17 | 400 | 900 | 800 | 730 | 155 | 380 | 400 |
| φ350 | φ450 | φ410 | 8-φ17 | 450 | 960 | 860 | 780 | 190 | 500 | 520 |
| φ400 | φ500 | φ460 | 8-φ17 | 500 | 1020 | 920 | 820 | 240 | 700 | 720 |
| φ450 | φ600 | φ560 | 8-φ17 | 600 | 1080 | 980 | 940 | 280 | 900 | 930 |
| φ500 | φ710 | φ660 | 8-φ17 | 700 | 1140 | 1040 | 990 | 320 | 1100 | 1150 |
| 150×150 | 240×240 | 210×210 | 8-φ11 | 230 | 720 | 600 | 520 | 45 | 260 | 280 |
| 150×200 | 240×300 | 210×260 | 8-φ11 | 230 | 800 | 700 | 570 | 60 | 290 | 310 |
| 200×200 | 300×300 | 260×260 | 8-φ11 | 300 | 800 | 700 | 570 | 80 | 310 | 330 |
| 200×300 | 300×400 | 260×360 | 8-φ13 | 300 | 900 | 800 | 730 | 140 | 330 | 350 |
| 300×300 | 400×400 | 360×360 | 8-φ17 | 400 | 960 | 860 | 730 | 160 | 390 | 410 |
| 300×400 | 400×500 | 360×460 | 16-φ17 | 400 | 1020 | 920 | 820 | 220 | 510 | 530 |
| 400×400 | 500×500 | 460×460 | 16-φ17 | 500 | 1020 | 920 | 820 | 250 | 560 | 590 |
| 400×500 | 500×710 | 460×660 | 16-φ17 | 600 | 1140 | 1040 | 990 | 300 | 980 | 1020 |
| 500×500 | 710×710 | 660×660 | 16-φ17 | 700 | 1140 | 1040 | 990 | 350 | 1150 | 1200 |
外形及连接尺寸(YJD-A/B)
| 每转升 | A | B | C | A1 | B1 | C1 | H | M | F | E | 孔直径 | 重量kg |
| 2 | 150 | 200 | 240 | 150×150 | 200×200 | 240×240 | 240 | 120 | 120 | ~500 | 8-9-21 | 40 |
| 4 | 180 | 240 | 280 | 180×180 | 230×230 | 260×260 | 280 | 140 | 140 | ~530 | 8-11-21 | 60 |
| 6 | 200 | 260 | 300 | 200×200 | 250×250 | 280×280 | 300 | 150 | 150 | ~550 | 8-11-21 | 75 |
| 8 | 220 | 280 | 320 | 220×220 | 270×270 | 300×300 | 320 | 160 | 160 | ~580 | 8-11-21 | 80 |
| 10 | 240 | 300 | 340 | 240×240 | 290×290 | 320×320 | 340 | 170 | 170 | ~600 | 8-13-21 | 100 |
| 12 | 260 | 320 | 360 | 260×260 | 310×310 | 340×340 | 360 | 180 | 180 | ~620 | 8-13-21 | 115 |
| 14 | 280 | 340 | 380 | 280×280 | 330×330 | 360×360 | 380 | 190 | 190 | ~640 | 8-17-21 | 130 |
| 16 | 300 | 360 | 400 | 300×300 | 350×350 | 380×380 | 400 | 200 | 200 | ~670 | 8-17-21 | 150 |
| 18 | 320 | 380 | 420 | 320×320 | 370×370 | 400×400 | 420 | 210 | 210 | ~690 | 8-17-21 | 165 |
| 20 | 340 | 400 | 440 | 340×340 | 390×390 | 420×420 | 440 | 220 | 220 | ~710 | 8-17-21 | 190 |
| 26 | 400 | 460 | 500 | 400×400 | 450×450 | 480×480 | 500 | 250 | 250 | ~770 | 8-17-21 | 230 |
| 30 | 440 | 500 | 540 | 440×440 | 490×490 | 520×520 | 540 | 270 | 270 | ~820 | 8-17-21 | 280 |
| 36 | 500 | 560 | 600 | 500×500 | 550×550 | 580×580 | 600 | 300 | 300 | ~950 | 8-20-21 | 320 |
| 40 | 540 | 600 | 640 | 540×540 | 590×590 | 620×620 | 640 | 320 | 320 | ~990 | 8-20-21 | 400 |













