联系电话:
0551-63495066
产品详情
产品概述
圆形百叶阀可用于通风除尘管路上作通风、调节设备之用。主要适用于冶金、矿山、水泥、化工、发电等行业的通风除尘及环境保护。具有重量轻、流阻小、结构简单、启闭灵活等特点。
主要技术参数
工作温度 | -30~250℃ | 使用环境温度 | 电动执行机构:10~5℃ | |
公称压力 | 0.1MPa | 何服放大器:0~45℃ | ||
输入信号 | 0~10mA或4~20mA | 环境相对湿度 | 电动执行机构:≤95% | |
电源电压 | 220V 50HZ | 何服放大器:≤85% | ||
死区 | ≤0.8% | 材料 | 阀体/阀板 | Q235-A |
回差 | ≤2.5% | 轴 | 20r13 | |
基本误差 | ±2.5% | 填料 | 聚四氟乙烯 | |

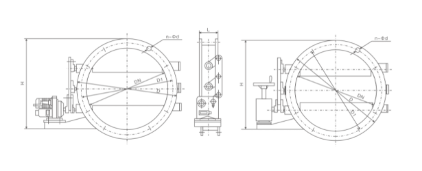
主要外形尺寸
| DN | D | D1 | L | L1 | L2 | b | n-d | 风机 | 重量(kg) |
| 280 | 324 | 306 | 160 | 570 | 300 | 8 | 8-Φ10 | 4-72 | 60 |
| 320 | 367 | 350 | 180 | 610 | 16-Φ7 | 70 | |||
| 360 | 416 | 394 | 650 | 82 | |||||
| 450 | 512 | 490 | 780 | 365 | 16-Φ10 | 95 | |||
| 500 | 572 | 550 | 200 | 835 | 125 | ||||
| 600 | 676 | 650 | 860 | 155 | |||||
| 180 | 230 | 205 | 160 | 465 | 275 | 8-Φ7 | 9-19 9-26 | 210 | |
| 200 | 250 | 225 | 485 | 35 | |||||
| 224 | 284 | 254 | 510 | 45 | |||||
| 250 | 310 | 280 | 535 | 8-Φ10 | 9-19 9-26 | 60 | |||
| 280 | 360 | 320 | 565 | 75 | |||||
| 315 | 395 | 355 | 180 | 650 | 365 | 125 | |||
| 355 | 435 | 395 | 690 | 140 | |||||
| 400 | 500 | 450 | 735 | 8-Φ12 | 170 | ||||
| 450 | 550 | 500 | 780 | 210 | |||||
| 500 | 620 | 560 | 200 | 900 | 425 | 12-Φ12 | 230 | ||
| 560 | 680 | 620 | 1000 | 10 | 260 | ||||
| 630 | 750 | 690 | 1070 | 320 | |||||
| 710 | 830 | 770 | 1150 | 16-Φ12 | 375 | ||||
| 800 | 920 | 860 | 260 | 1240 | 9-26 | 475 | |||
| 900 | 1040 | 970 | 1340 | 16-Φ15 | 525 | ||||
| 1000 | 1110 | 1065 | 1440 | 4-27 Y5-48 | 645 | ||||
| 1110 | 1220 | 1170 | 1650 | 12 | 20-Φ15 | 670 | |||
| 1120 | 1250 | 1190 | 280 | 1660 | 480 | 770 | |||
| 1200 | 1330 | 1270 | 1740 | 24-Φ15 | G/Y-73 | 870 | |||
| 1400 | 1520 | 1470 | 320 | 1940 | 640 | 970 | |||
| 1600 | 1700 | 1660 | 2140 | 28-Φ19 | 1170 | ||||
| 1800 | 1900 | 1860 | 420 | 2340 | 14 | 1270 | |||
| 2000 | 2122 | 2060 | 2540 | 1350 | |||||
| 2200 | 2300 | 2260 | 450 | 2740 | 36-Φ19 | G/Y-73-14 | 1590 | ||
| 2500 | 2600 | 2560 | 3040 | 1990 | |||||
| 2800 | 2900 | 2860 | 500 | 3340 | 2890 |













