联系电话:
0551-63495066
电动推杆扇形盲板阀
技术参数
产品型号:F9T43X
公称通径:DN300~2000mm
公称压力:PN0.05~0.25MPa
适用温度:≤300℃
适用介质:煤气及有毒、有害、易燃气体
主要材料:碳钢、不锈钢、硅橡胶
驱动方式:电动、液动、气动、电液动
设计标准:API 600、API6D、ASME B16.34、GB/T 12234
结构长度:ASME B16.10、API6D、GB/T 12221
连接标准:ASME B16.5、ASME B16.47、GB/T 9113、JB/T 79、HG/T 20592
压力试验:API 598、GB/T 13927、JB/T 9092
压力-温度等级:ASME B16.34 、GB/T 12224
产品概述
电动推杆扇形盲板阀主要由左阀体、右阀体、阀杆、闸板、密封圈、电动推杆等零件组成,并由底座、支撑柱构成一个刚性结构体。密封部位采用不锈钢与橡胶密封圈,密封性能好,使用寿命长。可以单台远距离控制,亦可多台联网远距离控制。主要应用于各工矿企业,环境保护等行业的煤气、空气、烟气等气体介质管路中,作为切断各种有毒、有害的可靠装置。
产品特点
1、阀门在开关过程中,门板密封圈无磨损现象,密封性能稳定且密封圈易更换。
2、传动运用连杆机构原理,结构简单适用于环境苛刻的工作场地。
3、对盲板阀两处密封薄弱处进行刚性加强处理,使密封性能更加可靠。
4、电动推杆定位采用新型的电感电器,减少在发讯时可能产生不必要的火花,使用更安全。
5、密封圈材质选用高温和耐煤气较好的氟橡胶。
技术参数
公称压力PN(MPa) | 0.25 | 0.15 | 0.10 | 0.05 |
密封试验压力(MPa) | 0.275 | 0.165 | 0.11 | 0.055 |
强度试验压力(MPa) | 0.375 | 0.225 | 0.15 | 0.075 |
驱动源 | 电动装置 | |||
适用温度(℃) | 丁腈橡胶 | 硅橡胶 | 氟橡胶 | |
-20-100 | -20-200 | -20-300 | ||
适用介质 | 煤气等有毒,有害气体 | |||
启闭时间(S) | ≤ 60 | |||
主要零部件材料 | 阀体,闸板为碳钢;丝杆为合金钢;螺母为锰铜合金,球墨铸铁;伸缩器为不锈钢 | |||

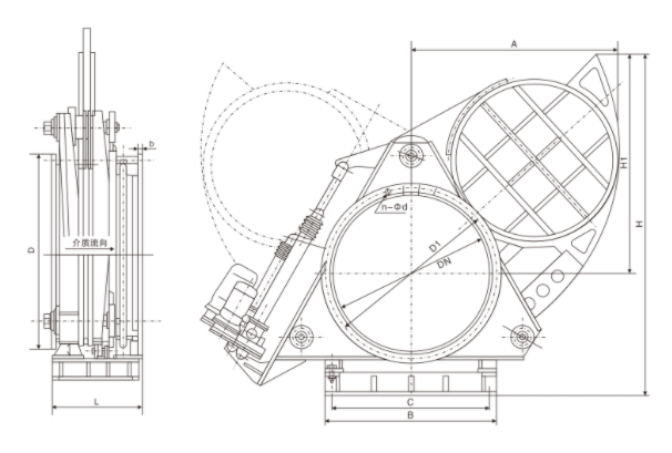
主要外形尺寸
| DN | L | D | D1 | H | H1 | A | B | C | b | n-d |
| 300 | 500 | 440 | 395 | 720 | 360 | 480 | 18 | 12-φ22 | ||
| 350 | 600 | 490 | 445 | 810 | 380 | 520 | 18 | 12-φ22 | ||
| 400 | 600 | 540 | 495 | 850 | 405 | 600 | 24 | 16-φ22 | ||
| 450 | 600 | 595 | 550 | 905 | 430 | 658 | 24 | 16-φ22 | ||
| 500 | 600 | 645 | 600 | 1080 | 750 | 712 | 26 | 20-φ26 | ||
| 600 | 600 | 755 | 705 | 1590 | 830 | 874 | 26 | 24-φ26 | ||
| 700 | 600 | 860 | 810 | 1680 | 880 | 970 | 26 | 24-φ26 | ||
| 800 | 800 | 975 | 920 | 1860 | 1125 | 1100 | 1130 | 525 | 35 | 24-φ30 |
| 900 | 800 | 1075 | 1020 | 2055 | 1270 | 1200 | 1220 | 570 | 35 | 24-φ30 |
| 1000 | 800 | 1175 | 1120 | 2240 | 1400 | 1320 | 1320 | 620 | 35 | 28-φ30 |
| 1100 | 800 | 1275 | 1220 | 2425 | 1535 | 1510 | 1420 | 670 | 35 | 28-φ30 |
| 1200 | 800 | 1375 | 1320 | 2620 | 1680 | 1625 | 1490 | 700 | 35 | 32-φ30 |
| 1300 | 800 | 1475 | 1420 | 2760 | 1770 | 1749 | 1490 | 700 | 35 | 32-φ30 |
| 1400 | 850 | 1575 | 1520 | 2960 | 1925 | 1856 | 1490 | 700 | 35 | 36-φ30 |
| 1500 | 850 | 1690 | 1630 | 3105 | 2050 | 1976 | 1590 | 750 | 35 | 36-φ30 |
| 1600 | 850 | 1790 | 1730 | 3300 | 2160 | 2093 | 1690 | 800 | 35 | 40-φ30 |
| 1800 | 1100 | 1990 | 1930 | 3610 | 2370 | 2335 | 1890 | 900 | 35 | 44-φ30 |
| 2000 | 1100 | 2190 | 2130 | 3960 | 2620 | 2570 | 2070 | 1000 | 35 | 46-φ30 |













