联系电话:
0551-63495066
电动扇形盲板阀
技术参数
产品型号:F943X
公称通径:DN300~2000mm
公称压力:PN0.05~0.25MPa
适用温度:≤300℃
适用介质:煤气及有毒、有害、易燃气体
主要材料:碳钢、不锈钢、硅橡胶
驱动方式:电动
设计标准:API 600、API6D、ASME B16.34、GB/T 12234
结构长度:ASME B16.10、API6D、GB/T 12221
连接标准:ASME B16.5、ASME B16.47、GB/T 9113、JB/T 79、HG/T 20592
压力试验:API 598、GB/T 13927、JB/T 9092
压力-温度等级:ASME B16.34 、GB/T 12224
产品详情
产品概述
电动扇形盲板阀主要由左阀体、右阀体、扇形闸板、不锈钢波纹管、电动驱动装置、电动夹紧装置等零件组成。阀体采用三点式锁紧扇形闸板结构。密封部位采用不锈钢与橡胶密封圈,密封性能好,使用寿命长,密封圈设在闸板上,便于维护时更换密封圈。电动操作、工作平稳、启动灵活动作可靠。夹紧机构采用丝杆螺母进行夹紧,自锁性好。该阀设有不锈钢波纹管,具有伸缩性强、使用寿命长等特点。
主要性能参数
| 公称压力MPa | 0.25 | 0.15 | 0.10 | 0.05 |
| 密封试验压力MPa | 0.275 | 0.165 | 0.11 | 0.054 |
| 强度试验压力MPa | 0.375 | 0.225 | 0.15 | 0.075 |
| 驱动源 | 压缩空气0.4-0.6MPa 油压压力6.3MPa 3相380V50HZ | |||
| 适用温度℃ | 丁腈橡胶 | 硅橡胶 | 氟橡胶 | |
| -20-100 | -20-200 | -20-300 | ||
| 适用介质 | 煤气、其他可燃气体 | |||
| 启闭时间S | ≤50 | |||
| 主要零部件材料 | 阀体、闸板为碳钢;阀杆为不锈钢;密封圈为硅橡胶 | |||

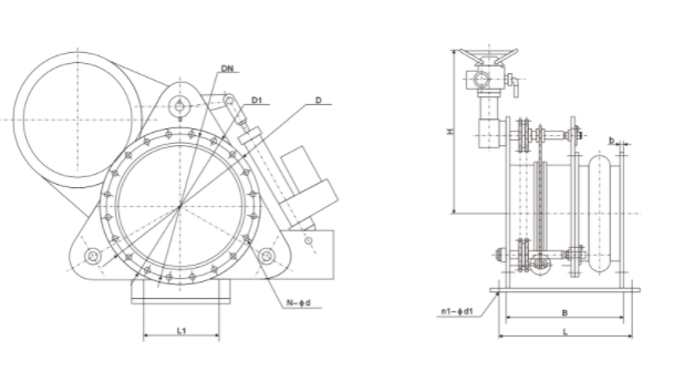
主要外形尺寸
| DN | D | D1 | b | N-Φd | B | L | L1 | H | n1-Φd1 |
| 200 | 320 | 280 | 22 | 8-Φ18 | 500 | 580 | 110 | 350 | 4-Φ12 |
| 250 | 375 | 335 | 24 | 12-Φ18 | 500 | 580 | 150 | 400 | 4-Φ12 |
| 300 | 440 | 395 | 24 | 12-Φ22 | 500 | 580 | 150 | 450 | 4-Φ12 |
| 350 | 490 | 445 | 24 | 12-Φ22 | 600 | 580 | 200 | 480 | 4-Φ15 |
| 400 | 540 | 495 | 24 | 16-Φ22 | 600 | 680 | 200 | 500 | 4-Φ15 |
| 450 | 595 | 550 | 26 | 16-Φ22 | 600 | 680 | 250 | 530 | 4-Φ15 |
| 500 | 645 | 600 | 26 | 20-Φ22 | 600 | 680 | 300 | 580 | 4-Φ15 |
| 600 | 755 | 705 | 26 | 20-Φ26 | 600 | 680 | 300 | 630 | 4-Φ15 |
| 700 | 860 | 810 | 26 | 24-Φ26 | 600 | 680 | 350 | 680 | 4-Φ18 |
| 800 | 975 | 920 | 26 | 24-Φ30 | 800 | 680 | 400 | 730 | 4-Φ18 |
| 900 | 1075 | 1020 | 26 | 24-Φ30 | 800 | 710 | 400 | 780 | 4-Φ18 |
| 1000 | 1175 | 1120 | 26 | 28-Φ30 | 800 | 710 | 500 | 830 | 4-Φ20 |
| 1100 | 1275 | 1220 | 26 | 28-Φ30 | 800 | 710 | 500 | 880 | 4-Φ20 |
| 1200 | 1375 | 1320 | 26 | 32-Φ30 | 800 | 830 | 600 | 940 | 6-Φ20 |
| 1300 | 1475 | 1420 | 26 | 32-Φ30 | 800 | 830 | 600 | 990 | 6-Φ20 |
| 1400 | 1575 | 1520 | 26 | 36-Φ30 | 850 | 830 | 700 | 1040 | 6-Φ20 |
| 1500 | 1675 | 1620 | 26 | 36-Φ30 | 850 | 830 | 750 | 1090 | 6-Φ22 |
| 1600 | 1790 | 1730 | 26 | 40-Φ30 | 850 | 830 | 800 | 1140 | 6-Φ22 |













