联系电话:
0551-63495066
手动扇形盲板阀
技术参数
产品型号:F343X
公称通径:DN200~2000mm
公称压力:PN0.05~0.25MPa
适用温度:<300℃
适用介质:煤气等有毒、有害、易燃气体
驱动方式:电动、液动、气动、电液动
阀体材质:碳钢、橡胶、铬钢
设计标准:API 600、API6D、ASME B16.34、GB/T 12234
结构长度:ASME B16.10、API6D、GB/T 12221
连接标准:ASME B16.5、ASME B16.47、GB/T 9113、JB/T 79、HG/T 20592
压力试验:API 598、GB/T 13927、JB/T 9092
压力-温度等级:ASME B16.34 、GB/T 12224
产品详情
产品概述
手动扇形盲板阀由左阀体、右阀体、中阀体、连接螺杆(三根)组成。用扳手旋转连接螺杆,使左右阀体完成夹紧和松开动作,利用闸板上盲板和通孔板的位置变换达到启闭目的。本阀具有结构简单,重量轻,性能,操作方便等特点。本阀为短结构系列,橡胶密封圈分别安装在左、右阀体上。应用于工况企业、市政、环保等行业的气体介质管路系统中,尤其适用于有害、有毒、易燃气体的切断。
主要性能指标
| 公称压力MPa | 0.25 | 0.15 | 0.10 | 0.05 |
| 密封试验压力MPa | 0.275 | 0.165 | 0.11 | 0.055 |
| 强度试验压力MPa | 0.40 | 0.225 | 0.15 | 0.075 |
| 适用温度℃ | 丁腈橡胶 | 硅橡胶 | 氟橡胶 | |
| <120 | <250 | <300 | ||
| 适用介质 | 煤气等有毒、有害、易燃气体 | |||
| 采用标准 | 连接法兰尺寸符合JB/T81-94标准,检测方法符合GB/T13927-92标准 | |||
| 主要零部件材料 | 阀体、闸板为碳钢;连接轴、伸缩器为碳钢或不锈钢;密封圈为橡胶 | |||

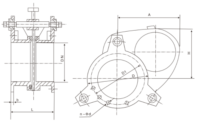
主要连接尺寸
| DN | L | D | D1 | H | A | b | n-d |
| 100 | 210 | 210 | 170 | 230 | 202 | 12 | 4-18 |
| 150 | 210 | 265 | 225 | 260 | 270 | 16 | 8-18 |
| 200 | 230 | 320 | 280 | 310 | 350 | 18 | 8-18 |
| 250 | 250 | 375 | 335 | 330 | 400 | 18 | 12-18 |
| 300 | 270 | 440 | 395 | 350 | 450 | 18 | 12-23 |
| 350 | 290 | 490 | 445 | 380 | 500 | 18 | 12-23 |
| 400 | 310 | 540 | 495 | 405 | 550 | 24 | 16-23 |
| 450 | 330 | 595 | 550 | 430 | 600 | 26 | 16-23 |
| 500 | 350 | 645 | 600 | 750 | 680 | 26 | 16-23 |
| 600 | 390 | 755 | 705 | 830 | 840 | 28 | 20-26 |
| 700 | 430 | 860 | 810 | 880 | 1050 | 28 | 24-26 |
| 800 | 470 | 975 | 920 | 900 | 1150 | 28 | 24-30 |
| 900 | 470 | 1075 | 1020 | 1000 | 1300 | 28 | 24-30 |
| 1000 | 470 | 1175 | 1120 | 1100 | 1450 | 28 | 28-30 |
| 1200 | 510 | 1375 | 1320 | 1300 | 1550 | 28 | 32-30 |
| 1400 | 510 | 1575 | 1520 | 1530 | 1700 | 30 | 36-30 |













