联系电话:
0551-63495066
产品详情
产品概述
紧急关闭阀,是一种用于消防用水与生活用水并联的供水系统中,用来调配供水方向的阀门。当火灾发生时,消防急需大量用水,该阀立即切断生活用水,确保足够的消防用水;当消防停止用水压力减小时,阀门自动打开,呈常开状态,恢复生活供水。该阀使系统无须另设专门的消防单独供水管网,大大地节约了建设成本和用水量。阀门控制灵敏度高,安全可靠,调试简便,使用寿命长。
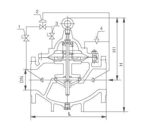
结构示意图

主要外形连接尺寸
| DN | 20 | 25 | 32 | 40 | 50 | 65 | 80 | 100 | 125 | 150 | 200 | 250 | 300 | 350 | 400 | 450 |
| L | 150 | 160 | 180 | 200 | 203 | 216 | 241 | 292 | 330 | 356 | 495 | 622 | 698 | 787 | 914 | 978 |
| H1 | 247 | 247 | 247 | 278 | 278 | 298 | 313 | 350 | 365 | 420 | 450 | 470 | 490 | 526 | 576 | 570 |
| H | 342 | 342 | 342 | 395 | 395 | 405 | 430 | 510 | 560 | 585 | 675 | 730 | 760 | 840 | 910 | 910 |













