联系电话:
0551-63495066
产品详情
产品概述
活塞式遥控浮球阀是兼具多种功能的水力操作式阀门。主要安装于水池或高架塔的进水口处,当水位达到设定的高度时,主阀由浮球导阀控制关闭进水口停止供水;当水位下降后,主阀由浮球导阀控制打开进水口向水池注水,实现自动补水。液位控制精确,不受水压干扰;活塞式遥控浮球阀可随水池的高度及使用空间任意位置安装,维护、调试、检查方便、密封可靠,使用寿命长。
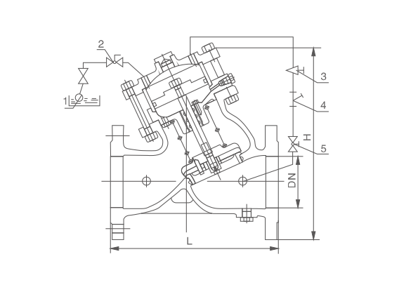
结构示意图

主要外形连接尺寸
| DN | 50 | 65 | 80 | 100 | 125 | 150 | 200 | 250 | 300 | 350 | 400 | 450 | 500 | 600 | 700 | 800 | 900 | 1000 | 1200 | 1400 |
| L | 203 | 216 | 250 | 320 | 365 | 415 | 500 | 605 | 698 | 787 | 914 | 978 | 978 | 1150 | 1300 | 1450 | 1650 | 1800 | 2000 | 2350 |
| H | 293 | 328 | 364 | 418 | 481 | 543 | 673 | 729 | 927 | 957 | 1188 | 1218 | 1600 | 1800 | 2000 | 2300 | 2600 | 2700 | 2860 | 3200 |













