联系电话:
0551-63495066
产品详情
产品概述
活塞式可调减压稳压阀是安装于高层建筑给排水系统管道上,将进口压力减至某一需要的出口压力的特种阀门。该阀门依靠本身能量使出口压力保持稳定在设定值,即出口压力不因进口压力及流量的变化而变化。并且阀门控制系统的进口处装有一个自清洁滤网,利用流体特性,使比重较大、直径较大的悬浮颗粒不会进入控制系统,确保系统循环畅通无阻,使阀门能安全可靠地运行。被广泛用于石油化工、化工、煤气、天然气、液化石油气、暖通行业以及一般工业中。
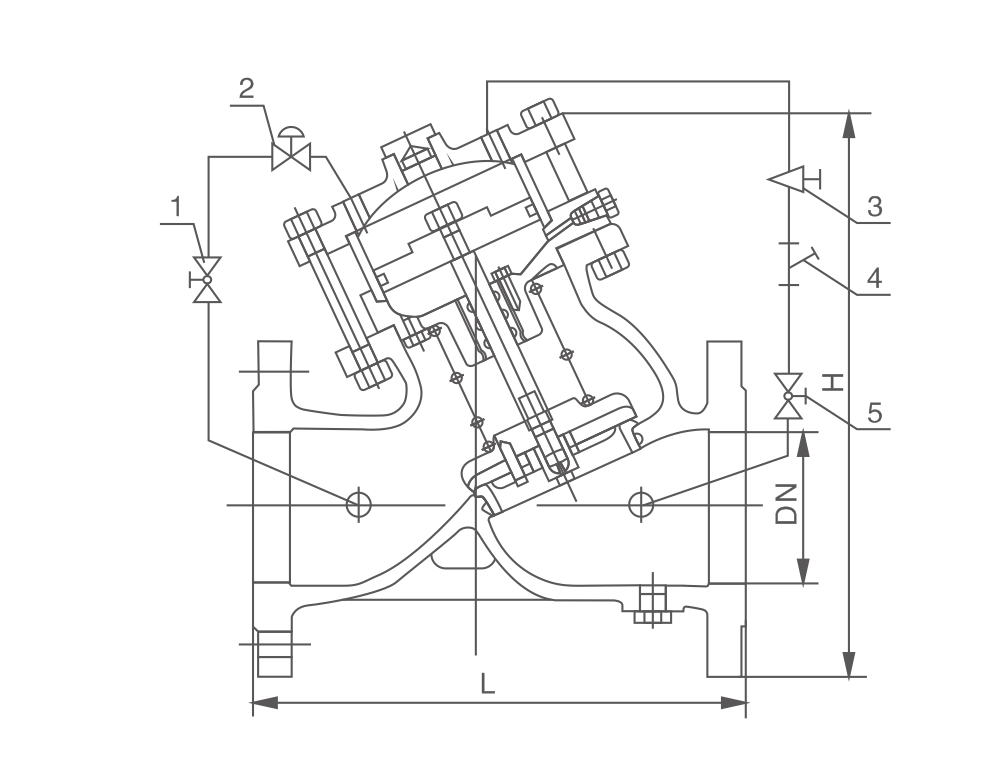
结构示意图

主要外形连接尺寸
| DN | 50 | 65 | 80 | 100 | 125 | 150 | 200 | 250 | 300 | 350 | 400 | 450 | 500 | 600 | 700 | 800 | 900 | 1000 | 1200 | 1400 |
| L | 203 | 216 | 250 | 320 | 365 | 415 | 500 | 605 | 698 | 787 | 914 | 978 | 978 | 1150 | 1300 | 1450 | 1650 | 1800 | 2000 | 2350 |
| H | 293 | 328 | 364 | 418 | 481 | 543 | 673 | 729 | 927 | 957 | 1188 | 1218 | 1600 | 1800 | 2000 | 2300 | 2600 | 2700 | 2860 | 3200 |













