联系电话:
0551-63495066
产品详情
产品概述
隔膜可调式减压稳压阀是安装于高层建筑给排水系统管道上,将进口压力减至某一需要的出口压力的特种阀门。其依靠本身能量使出口压力保持稳定在设定值,即出口压力不因进口压力及流量的变化而变化,并且阀门控制系统的进口处装有一个自清洁滤网,利用流体特性,使比重较大、直径较大的悬浮颗粒不会进入控制系统,确保系统循环畅通无阻,使阀门能安全可靠地运行。系统动作灵敏,使用寿命长。
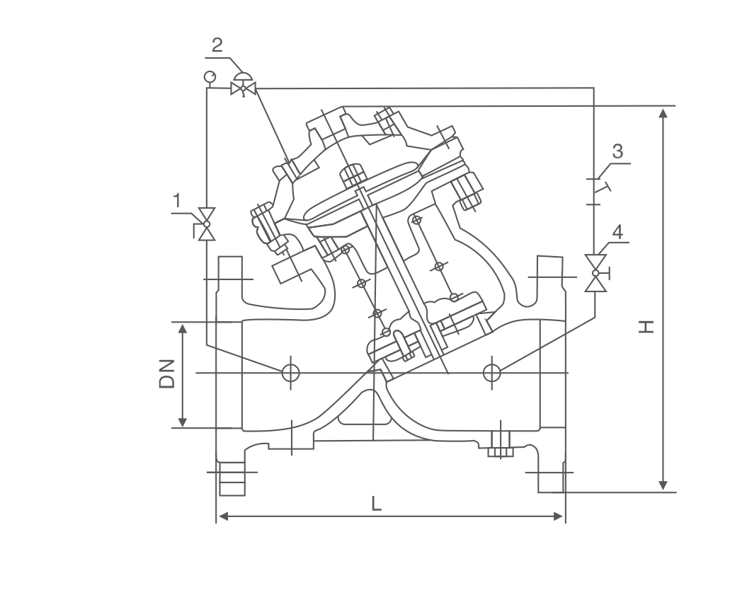
结构示意图

主要外形连接尺寸
| DN | 50 | 65 | 80 | 100 | 125 | 150 | 200 | 250 | 300 | 350 | 400 | 450 | 500 | 600 |
| L | 203 | 216 | 250 | 320 | 365 | 415 | 500 | 605 | 698 | 787 | 914 | 978 | 978 | 1150 |
| H | 300 | 337 | 467 | 520 | 580 | 640 | 778 | 889 | 1010 | 1037 | 1264 | 1294 | 1324 | 1600 |













