联系电话:
0551-63495066
产品概述
定水位阀是一种隔膜式调节水箱和水塔液面高度的阀门。阀门由浮球控制,当液面达到设定高度时阀门通过相关结构将信号传递给水泵,水泵停止供水;当液面低于设定位置时水泵自动启动供水。该阀动作平稳,有效防止开泵水锤和停泵水锤的产生,避免管道产生过高的压力。适用于水箱、水塔的自动供水系统。该阀保养简单、灵活耐用、液位控制准确度高,水位不受水压干扰且关闭紧密不漏水,性能可靠。
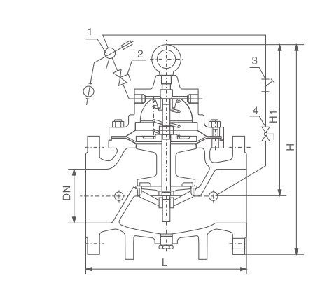
结构示意图

主要外形及连接尺寸
公称通径 DN(mm) | 20 | 25 | 32 | 40 | 50 | 65 | 80 | 100 | 125 | 150 | 200 | 250 | 300 | 350 | 400 | 450 | 500 | 600 | 700 | 800 | |
L | 180 | 180 | 180 | 203 | 203 | 216 | 241 | 292 | 330 | 356 | 495 | 622 | 698 | 787 | 914 | 978 | 978 | 1295 | 1448 | 1956 | |
PN10 | D | 105 | 110 | 135 | 145 | 160 | 180 | 195 | 215 | 245 | 280 | 335 | 390 | 440 | 500 | 565 | 615 | 670 | 780 | 895 | 1010 |
D1 | 75 | 85 | 100 | 110 | 125 | 145 | 160 | 180 | 210 | 240 | 295 | 350 | 400 | 460 | 515 | 565 | 620 | 725 | 840 | 950 | |
PN16 | D | 105 | 110 | 135 | 145 | 160 | 180 | 195 | 215 | 245 | 280 | 335 | 405 | 460 | 520 | 580 | 640 | 705 | 840 | 910 | 1020 |
D1 | 75 | 85 | 100 | 110 | 125 | 145 | 160 | 180 | 210 | 240 | 295 | 355 | 410 | 470 | 525 | 585 | 650 | 770 | 840 | 950 | |
PN25 | D | 105 | 110 | 135 | 145 | 160 | 180 | 195 | 230 | 270 | 300 | 360 | 425 | 485 | 550 | 610 | 660 | 730 | 840 | 955 | 1070 |
D1 | 75 | 85 | 100 | 110 | 125 | 145 | 160 | 190 | 220 | 250 | 310 | 370 | 430 | 490 | 550 | 600 | 660 | 770 | 875 | 990 | |
H | 212 | 212 | 212 | 265 | 265 | 310 | 250 | 460 | 520 | 570 | 695 | 780 | 905 | 1025 | 1080 | 1030 | 1135 | 1270 | 1460 | 1640 | |
H1 | 179 | 179 | 179 | 210 | 210 | 215 | 245 | 305 | 365 | 415 | 510 | 560 | 658 | 696 | 735 | 610 | 665 | 725 | 865 | 975 | |
注:安装示意图中弹性座封闸阀或蝶阀任选,建议≥DN350选蝶阀。













