联系电话:
0551-63495066
产品详情
产品概述
电磁遥控浮球阀是在遥控浮球阀的基础上安装了常开(常闭)型电磁阀电控装置,使该阀具有双保险作用,即使停电或电浮球失灵,也能控制水位,绝不会让水位超过规定的位置,可以设置启闭水位,解决主阀频繁启闭。该阀广泛用于高层建筑、城市生活用水、消防、工矿企业的水池,水塔的进水管道中。
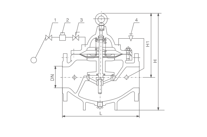
结构示意图

主要外形连接尺寸 单位:mm
DN | 20 | 25 | 32 | 40 | 50 | 65 | 80 | 100 | 125 | 150 | 200 | 250 | 300 | 350 | 400 | 450 |
L | 150 | 160 | 180 | 200 | 203 | 216 | 241 | 292 | 330 | 356 | 495 | 622 | 698 | 787 | 914 | 978 |
H1 | 179 | 179 | 179 | 210 | 210 | 215 | 245 | 305 | 365 | 415 | 510 | 560 | 658 | 696 | 735 | 735 |
H | 212 | 212 | 212 | 265 | 265 | 310 | 3580 | 460 | 520 | 570 | 840 | 890 | 1030 | 1090 | 1150 | 1150 |













