联系电话:
0551-63495066
产品详情
产品概述
双作用排泥阀主要由阀体、阀板、阀杆以及电磁换向阀组成。具有操作简单、启闭灵活、密封可靠、无噪音等特点,是实现自动控制、集中控制和远程控制的理想设备。主要安装于过滤池过清水和反冲洗排污阀,也可用于控制过滤池的进水和排水。
主要零件材质
零件名称 | 材料名称 |
阀体、阀板、阀座、活塞、缸体 | 灰铸钢 |
阀杆 | 不锈钢1Cr18Ni9Ti,20Cr13 |
Y型密封圈 | 丁腈橡胶 |
垫片 | 石棉橡胶板 |
活塞皮碗 | 牛革,丁腈橡胶 |

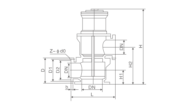
主要外形连接尺寸
DN | H | H1 | L | D | D1 | Z-φd0 | 接管螺纹 |
100 | 800 | 150 | 360 | 220 | 180 | 4-19 | 1/2 |
150 | 940 | 170 | 400 | 285 | 240 | 8-23 | 1/2 |
200 | 1000 | 190 | 460 | 340 | 295 | 8-23 | 1/2 |
250 | 1200 | 220 | 560 | 395 | 350 | 12-23 | 3/4 |
300 | 1350 | 270 | 590 | 445 | 400 | 12-23 | 3/4 |
350 | 1500 | 300 | 650 | 505 | 460 | 16-23 | 1/2 |
400 | 1620 | 325 | 700 | 565 | 515 | 16-28 | 1 |













