联系电话:
0551-63495066
产品概述
双重密封液力自动控制阀是在消化微阻缓闭止回阀、液控蝶阀、多功能水力控制阀等许多阀优良性能的基础上,研制出来的产品。它兼有电动闸阀、电动蝶阀、以及止回阀的功能,并通过快关和缓闭的动作来消除水锤危害,保护水泵及管网系统的安全。广泛应用于电力、冶金、城建、给排水等自动化泵站系统。
产品特点
1、截流止回:停泵时,截断管网介质,防止回流;
2、轻载启泵:先开阀,后启泵,轻载启泵,减水启动电流,保护电网用电气设备安全;
3、消除水锤:停泵时,大阀板快关,小阀板缓闭,消除破坏性水锤;
4、泵阀联动:水泵和阀门通过电气联锁,按设定程序自动控制,无须人工干预;
5、开度显示:阀门开启高度既可就地观察,也可选配阀位信号显示仪,实现远程数字显示;
6、还可输出4—20mA直流电流供计算机集中控制使用。
产品结构型号
代号 | BFDZ701 | BFDZ702 | BFDZ703 | BFDZ704 |
产品 | 普通型 | 调节型 | 污水型 | 低压型 |
密封型式材料代号表
序号 | 密封型式代号 | 阀座密封面 | 阀板密封面 | |
1 | 软硬复合密封 | YX | 硬质合金 | 硬质合金+橡胶 |
2 | HX | 不锈钢 | 不锈钢+橡胶 | |
3 | 硬密封 | Y | 硬质合金 | 硬质合金 |
4 | H | 不锈钢 | 不锈钢 | |

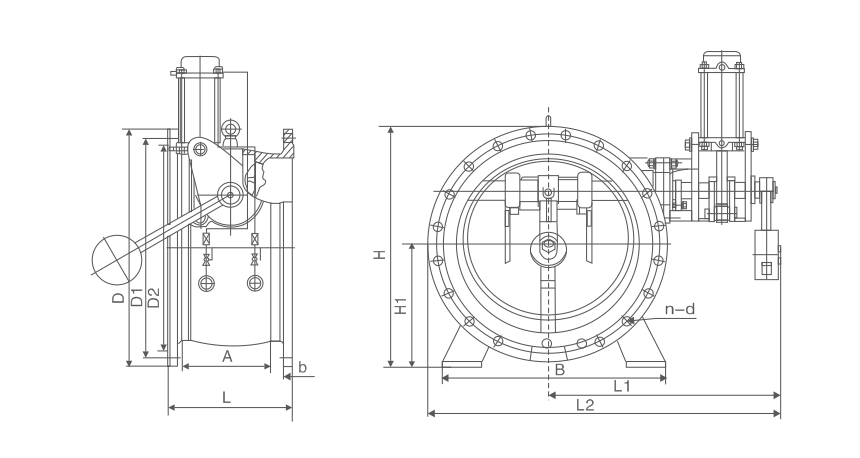
主要外形尺寸
DN | L | D | D1 | n-d | b | L1 | L2 | H1 | H | A | B |
700 | 430 | 895 | 840 | 24-30 | 34 | 850 | 1350 | 520 | 1280 | 230 | 760 |
800 | 470 | 1015 | 950 | 24-33 | 34 | 900 | 1500 | 550 | 1320 | 350 | 820 |
900 | 510 | 1115 | 1050 | 28-33 | 36 | 950 | 1540 | 630 | 1400 | 408 | 950 |
1000 | 550 | 1230 | 1160 | 28-36 | 38 | 1130 | 1790 | 700 | 1520 | 430 | 1040 |
1200 | 630 | 1455 | 1380 | 32-39 | 44 | 1270 | 2035 | 800 | 1750 | 475 | 1240 |
1400 | 710 | 1675 | 1590 | 36-42 | 48 | 1350 | 2260 | 900 | 1740 | 525 | 1450 |
1600 | 790 | 1915 | 1820 | 40-48 | 52 | 1780 | 2830 | 1020 | 2000 | 610 | 1520 |
1800 | 870 | 2115 | 2020 | 44-48 | 56 | 1850 | 3010 | 1175 | 2350 | 600 | 1620 |
2000 | 950 | 2325 | 2230 | 48-48 | 60 | 2000 | 3210 | 1250 | 2430 | 743 | 1800 |
2200 | 1000 | 2550 | 2440 | 52-62 | 64 | 2120 | 3480 | 1320 | 2600 | 808 | 1980 |
2400 | 1100 | 2760 | 2650 | 56-56 | 68 | 2240 | 3720 | 1430 | 2810 | 856 | 2320 |
2600 | 1200 | 2905 | 2810 | 60-48 | 72 | 2440 | 3960 | 1500 | 2950 | 900 | 2380 |
2800 | 1300 | 3115 | 3020 | 64-48 | 76 | 2550 | 4220 | 1600 | 3160 | 1025 | 2520 |
3000 | 1400 | 3315 | 3200 | 68-48 | 80 | 2680 | 4460 | 1700 | 3360 | 1102 | 2990 |













