联系电话:
0551-63495066
产品详情
产品概述
微阻球形止回阀采用橡胶包皮球为阀瓣,在介质的作用下,可在阀体内的滑道上滚动,从而打开或关闭阀门,流量大流阻损失小,密封性能好,消声关闭,可减小水击波。水平或垂直安装均可。可用于冷水、热水、工业及生活污水等管网的水泵出口,防止介质倒流。
性能参数
型号 | 公称压力(MPa) | 壳体试验压力(MPa) | 密封试验压力(MPa) | 阀体材料 | 球体材料 |
HQ44/45X-10 | 1.0 | 1.5 | 1.1 | 铸铁 | 碳钢包胶 |
HQ44/45X-16 | 1.6 | 2.4 | 1.76 |

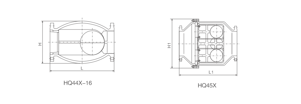
主要外形尺寸
公称通径 | 200 | 250 | 300 | 350 | 400 | 450 | 500 | 600 | 700 | 800 | 900 | 1000 |
L(mm) | 550 | 650 | 698 | 781 | 914 | 978 | 978 | 1295 | 1448 | 1600 | 1760 | 1900 |
H(mm) | 510 | 570 | 640 | 715 | 815 | 825 | 980 | 1155 | 1260 | 1350 | 1660 | 1700 |













