联系电话:
0551-63495066
产品概述
微阻缓闭止回阀用于给排水管道,安装在水泵出口处用来防止介质逆流和消除破坏性水锤,并且有效地减少阀门关闭水锤压力,可保障管网安全运行。它具有阀瓣轻、开度大、节电效果显著,流体阻力小,水锤消除机构设计新颖,密封性能稳定可靠、耐磨损、使用寿命长、运行平稳、无振动、无噪声等特点。
主要零部件材料
零件名称 | 阀体、阀盖 | 阀瓣 | 阀轴 |
材料 | 灰铸铁、铸钢 | 钢板、橡胶组合件 | 不锈钢 |

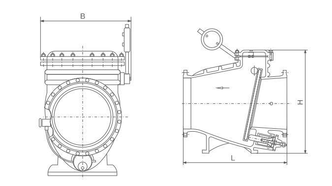
主要外形连接尺寸
DN(mm) | 40 | 50 | 65 | 80 | 100 | 125 | 150 | 200 | 250 | 300 | 350 | 400 | 450 | 500 | 600 | 700 | 800 |
H | 200 | 230 | 290 | 310 | 350 | 400 | 480 | 500 | 600 | 700 | 800 | 900 | 1000 | 1100 | 1300 | 1400 | 1500 |
L | 300 | 300 | 320 | 354 | 350 | 380 | 500 | 580 | 670 | 730 | 820 | 920 | 950 | 1100 | 1200 | 1550 | 1700 |
B | 220 | 270 | 290 | 300 | 320 | 340 | 410 | 450 | 550 | 580 | 630 | 700 | 800 | 900 | 990 | 1120 | 1300 |













