联系电话:
0551-63495066
产品详情
产品概述
法兰双口排气阀适用于工作介质为水的管路上,作为排除管道内气体的设备,以提高输送水设备的效率和保护管道运转正常,确保管路安全。广泛应用于市政建设、农田水利、火力发电、石油化工、冶金矿山、消防环保、食品、航运、医药和轻纺等各个领域。
产品特点
1、能够排除管道中的气体,减少阻力节约能源。
2、当管道负压时,本产品能快速自动吸入空气防止管道破裂。
3、排气能力是普通双孔排气阀的多倍。
4、浮球托架为不锈钢,使用寿命长,安全可靠。

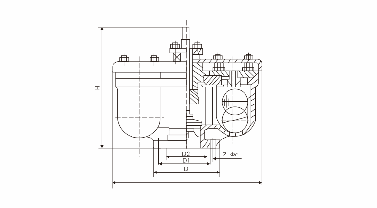
主要外形尺寸
公称通径 | 主要尺寸 | ||||
DN | D | D1 | D2 | L | Z-Φd |
40 | 145 | 110 | 85 | 430 | 4-Φ18 |
50 | 160 | 125 | 100 | 430 | 4-Φ18 |
80 | 195 | 160 | 135 | 470 | 4-Φ18 |
100 | 215 | 180 | 155 | 500 | 4-Φ18 |
150 | 280 | 240 | 210 | 540 | 8-Φ20 |
200 | 335 | 295 | 265 | 700 | 8-Φ20 |













