联系电话:
0551-63495066
产品详情
产品概述
倒流防止器是在两个止回阀之间加一个排水器组成,用于防止生活饮用水管道发生回流污染的安全装置。确保生活饮用水的卫生和安全。
产品特点
1、双止回阀设计为一体,结构尺寸小,重量轻,安装维护方便。
2、阀体采用流线型,阻力损失小,节约能源。
3、双止回阀与安全泄水阀的组合能彻底防止任何工况条件下的倒流污染。
4、各活动部件都采用不锈、耐磨材料,使用寿命长。
主要零件材质
| 序号 | 零部件名称 | 材质 |
| 1 | 阀体 | 铸铁、球墨铸铁、铸钢、不锈钢 |
| 2 | 阀盖 | 铸铁、球墨铸铁、铸钢、不锈钢 |
| 3 | 阀盘 | 球墨铸铁 |
| 4 | 弹簧 | 不锈钢、铬钒钢 |
| 5 | 防污阀 | 黄铜 |

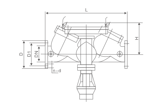
主要外形连接尺寸
DN | 50 | 65 | 80 | 100 | 125 | 150 | 200 | 250 | 300 | 350 | 400 | 450 | 500 | 600 |
L | 458 | 482 | 551 | 653 | 735 | 793 | 1008 | 1186 | 1340 | 1505 | 1670 | 1886 | 1986 | 2318 |
H | 210 | 235 | 264 | 308 | 356 | 400 | 503 | 595 | 705 | 705 | 905 | 910 | 921 | 1210 |













