联系电话:
0551-63495066
产品详情
产品结构特征
1、小巧轻便,容易拆装及维修,并可在任意位置安装。
2、结构简单,紧凑,90°回转启闭迅速。
3、操作扭矩小,省力轻巧。
4、优异的减磨、自润滑性、操作力矩比普通蝶阀降低40%以上。
5、无毒、无味、抗菌符合绿色环保要求。
6、耐盐、碱、弱酸侵蚀,适用性广。
7、无销连接技术,保证介质与金属完全隔离可靠性高。
8、适用介质:淡水、海水、各种气体、油品、碱、盐、有机化合物及弱酸等。

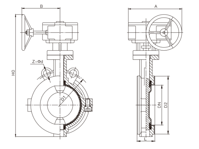
主要外形连接尺寸
| DN | L | H0 | A | B | PN6 | PN10 | PN16 | |||
| D1 | Z-Φd | D1 | Z-Φd | D1 | Z-Φd | |||||
| 50 | 43 | 306 | 180 | 200 | 110 | 4-14 | 125 | 4-18 | 125 | 4-18 |
| 65 | 46 | 321 | 180 | 200 | 130 | 4-14 | 145 | 4-18 | 145 | 4-18 |
| 80 | 46 | 346 | 180 | 200 | 150 | 4-18 | 160 | 8-18 | 160 | 8-18 |
| 100 | 52 | 387 | 180 | 200 | 170 | 4-18 | 180 | 8-18 | 180 | 8-18 |
| 125 | 56 | 411 | 180 | 200 | 200 | 8-18 | 210 | 8-18 | 210 | 8-18 |
| 150 | 56 | 447 | 270 | 280 | 225 | 8-18 | 240 | 8-22 | 240 | 8-22 |
| 200 | 60 | 572 | 270 | 280 | 280 | 8-18 | 295 | 8-22 | 295 | 12-22 |
| 250 | 68 | 646 | 270 | 280 | 335 | 12-18 | 350 | 12-22 | 355 | 12-26 |
| 300 | 78 | 738 | 380 | 420 | 395 | 12-22 | 400 | 12-22 | 410 | 12-26 |
| 350 | 78 | 761 | 380 | 420 | 445 | 12-22 | 460 | 16-22 | 470 | 16-26 |
| 400 | 88 | 877 | 450 | 470 | 495 | 16-22 | 515 | 16-26 | 525 | 16-30 |
| 450 | 107 | 938 | 480 | 490 | 550 | 16-22 | 565 | 20-26 | 585 | 20-30 |
| 500 | 127 | 993 | 480 | 490 | 600 | 20-22 | 620 | 20-26 | 650 | 20-33 |
| 600 | 154 | 1131 | 480 | 490 | 705 | 20-26 | 725 | 20-30 | 770 | 20-36 |













