联系电话:
0551-63495066
产品结构特征
电液联动快速切断阀主要安装与汽轮机抽汽管道、高炉煤气余压发电装置( TRT)进气管路等高安全等级系统,作紧急切断阀用。在系统出现危机工况时,在0.3~0.8秒钟内实施紧急关阀,实现管路的可靠截止,有效防止汽机尾部蒸汽和冷凝水倒灌或切断煤气管路,保护汽轮机组的安全。
其主要结构特点有
1、 电液联动快速切断阀由主阀、齿轮条油缸传动装置、液压系统、电器控制系统四大部分组成。
2、 齿轮齿条传动箱结构紧凑,直接与油缸相联;油缸尾部设有缓冲装置,消除快关时的惯性冲击延长阀门使用寿命。
3、正常启闭动力源一般有液压系统中的油泵机组提供,也可来源于汽轮机主配套液压。
4、电气控制系统按主逻辑元件类别分为普通继电型和PLC智能控制型。
5、系统除设有正常开阀、正常关阀、停止、快速关阀等常规控制动作。
7、系统中配有就地控制回路和远程联动控制回路。

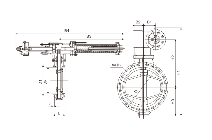
主要外形及连接尺寸(0.6MPa)
公称通径 DN | L | D | D1 | D2 | b | n | d | B1 | B2 | B3 | H1 | H2 | H0 |
200 | 152 | 320 | 280 | 254 | 22 | 8 | 18 | 279 | 166 | 630 | 225 | 371 | 698 |
250 | 165 | 375 | 335 | 309 | 24 | 12 | 18 | 279 | 166 | 630 | 262 | 420 | 784 |
300 | 178 | 440 | 395 | 363 | 24 | 12 | 22 | 279 | 166 | 630 | 297 | 446 | 845 |
350 | 190 | 490 | 445 | 413 | 24 | 12 | 22 | 279 | 166 | 630 | 329 | 515 | 946 |
400 | 216 | 540 | 495 | 463 | 24 | 16 | 22 | 279 | 166 | 630 | 359 | 547 | 1008 |
450 | 222 | 595 | 550 | 518 | 24 | 16 | 22 | 279 | 166 | 630 | 394 | 571 | 1067 |
500 | 229 | 645 | 600 | 568 | 26 | 20 | 22 | 413 | 278 | 710 | 438 | 670 | 1211 |
600 | 267 | 755 | 705 | 667 | 30 | 20 | 26 | 413 | 278 | 710 | 493 | 740 | 1336 |
700 | 292 | 860 | 810 | 772 | 30 | 24 | 26 | 413 | 278 | 710 | 533 | 785 | 1421 |
800 | 318 | 975 | 920 | 878 | 30 | 24 | 30 | 413 | 278 | 710 | 588 | 845 | 1536 |
900 | 330 | 1075 | 1020 | 978 | 30 | 24 | 30 | 570 | 359 | 1008 | 652 | 935 | 1712 |
1000 | 410 | 1175 | 1120 | 1078 | 30 | 28 | 30 | 570 | 359 | 1008 | 717 | 1000 | 1842 |
1200 | 470 | 1405 | 1340 | 1295 | 32 | 32 | 33 | 570 | 359 | 1008 | 827 | 1115 | 2067 |
1400 | 530 | 1630 | 1560 | 1510 | 34 | 36 | 36 | 739 | 467 | 1205 | 980 | 1345 | 2480 |
1600 | 600 | 1830 | 1760 | 1710 | 36 | 40 | 36 | 739 | 467 | 1205 | 1095 | 1445 | 2695 |
主要外形及连接尺寸(N1.0MPa)
公称通径 DN | L | D | D1 | D2 | b | n | d | B1 | B2 | B3 | H1 | H2 | H0 |
200 | 152 | 340 | 295 | 266 | 26 | 8 | 22 | 279 | 166 | 630 | 225 | 371 | 698 |
250 | 165 | 395 | 350 | 319 | 26 | 12 | 22 | 279 | 166 | 630 | 262 | 420 | 784 |
300 | 178 | 445 | 400 | 370 | 26 | 12 | 22 | 279 | 166 | 630 | 297 | 446 | 845 |
350 | 190 | 505 | 460 | 429 | 26 | 12 | 22 | 279 | 166 | 630 | 329 | 515 | 946 |
400 | 216 | 565 | 515 | 480 | 26 | 16 | 26 | 279 | 166 | 630 | 359 | 547 | 1008 |
450 | 222 | 615 | 565 | 530 | 28 | 16 | 26 | 279 | 166 | 630 | 394 | 571 | 1067 |
500 | 229 | 670 | 620 | 582 | 28 | 20 | 26 | 413 | 278 | 710 | 438 | 670 | 1211 |
600 | 267 | 780 | 725 | 682 | 30 | 20 | 30 | 413 | 278 | 710 | 493 | 740 | 1336 |
700 | 292 | 895 | 840 | 794 | 30 | 24 | 30 | 413 | 278 | 710 | 533 | 785 | 1421 |
800 | 318 | 1015 | 950 | 901 | 32 | 24 | 33 | 413 | 278 | 710 | 588 | 845 | 1536 |
900 | 330 | 1115 | 1050 | 1001 | 34 | 24 | 33 | 570 | 359 | 1008 | 652 | 935 | 1712 |
1000 | 410 | 1230 | 1160 | 1112 | 34 | 28 | 36 | 570 | 359 | 1008 | 717 | 1000 | 1842 |
1200 | 470 | 1455 | 1380 | 1328 | 38 | 32 | 39 | 570 | 359 | 1008 | 827 | 1115 | 2067 |
1400 | 530 | 1675 | 1590 | 1530 | 42 | 36 | 42 | 739 | 467 | 1205 | 980 | 1345 | 2480 |
1600 | 600 | 1915 | 1820 | 1750 | 46 | 40 | 48 | 739 | 467 | 1205 | 1095 | 1445 | 2695 |
公称通径 DN | L | D | D1 | D2 | b | n | d | B1 | B2 | B3 | H1 | H2 | H0 |
200 | 152 | 340 | 295 | 266 | 24 | 12 | 22 | 279 | 166 | 630 | 225 | 371 | 698 |
250 | 165 | 405 | 335 | 319 | 26 | 12 | 26 | 279 | 166 | 630 | 262 | 420 | 784 |
300 | 178 | 460 | 410 | 370 | 28 | 12 | 26 | 279 | 166 | 630 | 297 | 446 | 845 |
350 | 190 | 520 | 470 | 429 | 30 | 16 | 26 | 279 | 166 | 630 | 329 | 515 | 946 |
400 | 216 | 580 | 525 | 480 | 32 | 16 | 30 | 279 | 166 | 630 | 359 | 547 | 1008 |
450 | 222 | 640 | 585 | 548 | 31 | 20 | 30 | 279 | 166 | 630 | 394 | 571 | 1067 |
500 | 229 | 715 | 650 | 609 | 36 | 20 | 33 | 413 | 278 | 710 | 438 | 670 | 1211 |
600 | 267 | 840 | 770 | 720 | 38 | 20 | 36 | 413 | 278 | 710 | 493 | 740 | 1336 |
700 | 292 | 910 | 840 | 794 | 40 | 24 | 36 | 413 | 278 | 710 | 533 | 785 | 1421 |
800 | 318 | 1025 | 950 | 901 | 42 | 24 | 39 | 413 | 278 | 710 | 588 | 845 | 1536 |
900 | 330 | 1125 | 1050 | 1001 | 44 | 28 | 39 | 570 | 359 | 1008 | 652 | 935 | 1712 |
1000 | 410 | 1255 | 1170 | 1112 | 46 | 28 | 42 | 570 | 359 | 1008 | 717 | 1000 | 1842 |
1200 | 470 | 1485 | 1390 | 1328 | 52 | 32 | 48 | 570 | 359 | 1008 | 827 | 1115 | 2067 |
1400 | 530 | 1685 | 1590 | 1530 | 58 | 36 | 48 | 739 | 467 | 1205 | 980 | 1345 | 2480 |
1600 | 600 | 1930 | 1820 | 1750 | 64 | 40 | 55 | 739 | 467 | 1205 | 1095 | 1445 | 2695 |
公称通径 DN | L | D | D1 | D2 | b | n | d | B1 | B2 | B3 | H1 | H2 | H0 |
200 | 152 | 360 | 310 | 274 | 30 | 12 | 26 | 279 | 166 | 630 | 225 | 371 | 698 |
250 | 165 | 425 | 370 | 330 | 32 | 12 | 30 | 279 | 166 | 630 | 262 | 420 | 784 |
300 | 178 | 485 | 430 | 389 | 34 | 16 | 30 | 279 | 166 | 630 | 297 | 446 | 845 |
350 | 190 | 555 | 490 | 448 | 38 | 16 | 66 | 279 | 166 | 630 | 329 | 515 | 946 |
400 | 216 | 620 | 550 | 503 | 40 | 16 | 36 | 279 | 166 | 630 | 359 | 547 | 1008 |
450 | 222 | 670 | 600 | 548 | 42 | 20 | 36 | 279 | 166 | 630 | 394 | 571 | 1067 |
500 | 229 | 730 | 660 | 609 | 44 | 20 | 36 | 413 | 278 | 710 | 438 | 670 | 1211 |
600 | 267 | 845 | 770 | 720 | 46 | 20 | 39 | 413 | 278 | 710 | 493 | 740 | 1336 |
700 | 292 | 960 | 875 | 820 | 50 | 24 | 42 | 413 | 278 | 710 | 533 | 785 | 1421 |
800 | 318 | 1085 | 990 | 928 | 54 | 24 | 48 | 413 | 278 | 710 | 588 | 845 | 1536 |
900 | 330 | 1185 | 1090 | 1028 | 58 | 28 | 48 | 570 | 359 | 1008 | 652 | 935 | 1712 |
1000 | 410 | 1320 | 1210 | 1140 | 62 | 28 | 55 | 570 | 359 | 1008 | 717 | 1000 | 1842 |
1200 | 470 | 1630 | 1420 | 1350 | 70 | 32 | 55 | 570 | 359 | 1008 | 827 | 1115 | 2067 |
1400 | 530 | 1577 | 1640 | 1560 | 76 | 36 | 60 | 739 | 467 | 1205 | 980 | 1345 | 2480 |
1600 | 600 | 1975 | 1860 | 1780 | 84 | 40 | 60 | 739 | 467 | 1205 | 1095 | 1445 | 2695 |













