Lined Butterfly Valve(Wafer)
Technical Parameter
Product Model: D371F4/D371F46
Nominal diameter: DN40~1000mm
Nominal pressure: PN1.0~1.6 MPa
Design standard: GB/T2238
Connection size: GB/T9113.1
Structure length: GB/T12221
Pressure test: GB/T13927
Gland Type: Gland Compression Type
Body form: straight-through casting butterfly valve
Valve plate form: vertical plate type (butterfly)
Sealing packing: polyperfluoroethylene propylene (F46)
Product Structure Features
1. Compact and lightweight, easy to disassemble and maintain, and can be installed at any location.
2. Simple and compact structure, quick opening and closing with 90 degree rotation.
3. Small operating torque, labor-saving and lightweight.
4. Excellent wear reduction, self-lubrication, and operating torque reduction of over 40% compared to ordinary butterfly valves.
5. Non toxic, odorless, and antibacterial meet the requirements of green environmental protection.
6. Resistant to salt, alkali, and weak acid attack, with wide applicability.
7. Pinless connection technology ensures complete isolation of media and metal with high reliability.
8. Applicable media: fresh water, seawater, various gases, oil products, alkali, salt, organic compound, and weak acid.

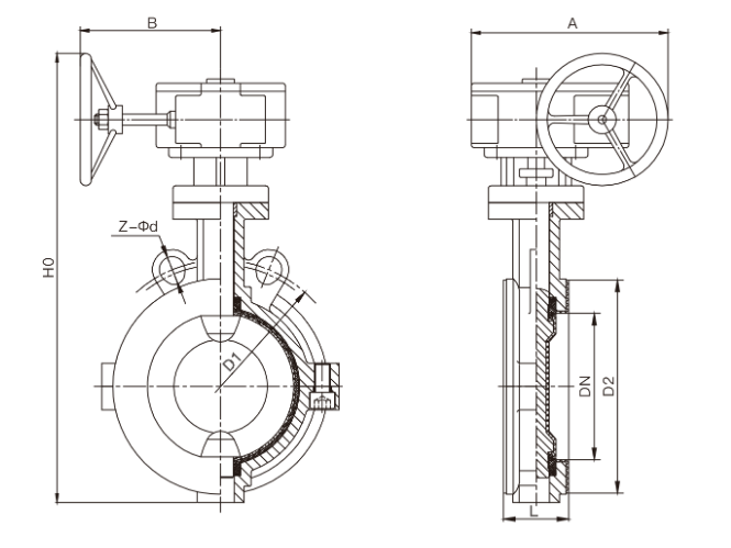
Main outline connection dimensions
| DN | L | H0 | A | B | PN6 | PN10 | PN16 | |||
| D1 | Z-Φd | D1 | Z-Φd | D1 | Z-Φd | |||||
| 50 | 43 | 306 | 180 | 200 | 110 | 4-14 | 125 | 4-18 | 125 | 4-18 |
| 65 | 46 | 321 | 180 | 200 | 130 | 4-14 | 145 | 4-18 | 145 | 4-18 |
| 80 | 46 | 346 | 180 | 200 | 150 | 4-18 | 160 | 8-18 | 160 | 8-18 |
| 100 | 52 | 387 | 180 | 200 | 170 | 4-18 | 180 | 8-18 | 180 | 8-18 |
| 125 | 56 | 411 | 180 | 200 | 200 | 8-18 | 210 | 8-18 | 210 | 8-18 |
| 150 | 56 | 447 | 270 | 280 | 225 | 8-18 | 240 | 8-22 | 240 | 8-22 |
| 200 | 60 | 572 | 270 | 280 | 280 | 8-18 | 295 | 8-22 | 295 | 12-22 |
| 250 | 68 | 646 | 270 | 280 | 335 | 12-18 | 350 | 12-22 | 355 | 12-26 |
| 300 | 78 | 738 | 380 | 420 | 395 | 12-22 | 400 | 12-22 | 410 | 12-26 |
| 350 | 78 | 761 | 380 | 420 | 445 | 12-22 | 460 | 16-22 | 470 | 16-26 |
| 400 | 88 | 877 | 450 | 470 | 495 | 16-22 | 515 | 16-26 | 525 | 16-30 |
| 450 | 107 | 938 | 480 | 490 | 550 | 16-22 | 565 | 20-26 | 585 | 20-30 |
| 500 | 127 | 993 | 480 | 490 | 600 | 20-22 | 620 | 20-26 | 650 | 20-33 |
| 600 | 154 | 1131 | 480 | 490 | 705 | 20-26 | 725 | 20-30 | 770 | 20-36 |














